Acrobatic Shock Cords
View More
  2

GEAR Acrobatic Shock Cords 8 mm

  • manufactured in the usa
  • state-of-the-art, professional grade available exclusively from Adrenalin Dreams
  • patented Nylon end loops provide greater live-load security over standard hog ring fasteners
  • ideal for aerial acrobatics, choreography, workouts and trampolines
  • can be utilized as a supplemental support cord in tandem with GEAR Cirque Fitness Bungees
  • optional removable, reusable multi cord pack covers available in 27 colors - priced by length - Contact AD for Pack Cover pricing
Specs
  • Working load 15 lbs (6,8kg) for 100% dead weight elongation
  • Additonal cords may be necessary to accommodate for applied force
  • Fail length @ 200% elongation @ 75 lbs (34 kg)
  • Elongation factors do not include 4" non elastic webbing end loops
  • To determine the proper length cord(s) for your application, measure the distance from the top cord connection to where the bottom of the cords will be attached to your harness when fully extended. Half that distance is the recommended static length
  • For extended service life, cords should not exceed 100% elongation during use. Exceeding 100% elongation may require additional cords to increase the tension, longer length static cords or extending rigging strapping to reach the desired stretched distance
  • If less than 100% elongation is required for your application, additional cords can be added to increase the tension
  • Custom lengths available
  • No warranty


Sample Rigging Diagram
  • This type of rigging is suited for a single house anchor point connected to one harness pick point such as the front belt, rear belt or dorsal pick.

  • This type of rigging is suited for a single house anchor point, separated with a spreader bar connected to two harness pick points such as the hips or shoulders.
  • The use of a Spreader Bar is not recommended for house anchor height less than 12 ft (3,6 m).

Take A Video Tour

Prices
  • 3 ft $28.88

  • 3 ft 6 inches $30.50

  • 4 ft $32.63

  • 5 ft $36.43

  • 6 ft $40.22

  • 8 ft $47.81

  • 10 ft $55.40

  • 12 ft $62.99
Fabricated to order, non refundable. Allow 2 weeks.
For supplemental support cord in tandem with GEAR Cirque Fitness Bungees, select 3 ft 6 inches






Acrobatic Shock Cords
View More
  2

GEAR Acrobatic Shock Cords 9 mm

  • manufactured in the usa
  • state-of-the-art, professional grade available exclusively from Adrenalin Dreams
  • patented Nylon end loops provide greater live-load security over standard hog ring fasteners
  • ideal for aerial acrobatics, choreography, workouts and trampolines
  • can be utilized as a supplemental support cord in tandem with GEAR Cirque Fitness Bungees
  • optional removable, reusable multi cord pack covers available in 27 colors - priced by length - Contact AD for Pack Cover pricing
Specs
  • Working load 18 lbs (8 kg) for 100% dead weight elongation
  • Additonal cords may be necessary to accommodate for applied force
  • Fail length @ 200% elongation @ 90 lbs (40 kg)
  • Elongation factors do not include 4" non elastic webbing end loops
  • To determine the proper length cord(s) for your application, measure the distance from the top cord connection to where the bottom of the cords will be attached to your harness when fully extended. Half that distance is the recommended static length
  • For extended service life, cords should not exceed 100% elongation during use. Exceeding 100% elongation may require additional cords to increase the tension, longer length static cords or extending rigging strapping to reach the desired stretched distance
  • If less than 100% elongation is required for your application, additional cords can be added to increase the tension
  • Custom lengths available
  • No warranty


Sample Rigging Diagram
  • This type of rigging is suited for a single house anchor point connected to one harness pick point such as the front belt, rear belt or dorsal pick.

  • This type of rigging is suited for a single house anchor point, separated with a spreader bar connected to two harness pick points such as the hips or shoulders.
  • The use of a Spreader Bar is not recommended for house anchor height less than 12 ft (3,6 m).

Take A Video Tour

Prices
  • 3 ft $29.50

  • 3 ft 6 inches $31.50

  • 4 ft $33.52

  • 5 ft $37.54

  • 6 ft $41.56

  • 8 ft $49.60

  • 10 ft $57.64

  • 12 ft $65.68
Fabricated to order, non refundable. Allow 2 weeks.
For supplemental support cord in tandem with GEAR Cirque Fitness Bungees, select 3 ft 6 inches






Acrobatic Shock Cords
View More
  2

GEAR Acrobatic Shock Cords 10 mm

  • manufactured in the usa
  • state-of-the-art, professional grade available exclusively from Adrenalin Dreams
  • patented Nylon end loops provide greater live-load security over standard hog ring fasteners
  • ideal for aerial acrobatics, choreography, workouts and trampolines
  • can be utilized as a supplemental support cord in tandem with GEAR Cirque Fitness Bungees
  • optional removable, reusable multi cord pack covers available in 27 colors - priced by length - Contact AD for Pack Cover pricing
Specs
  • Working load 20 lbs (9,5 kg) for 100% dead weight elongation
  • Additonal cords may be necessary to accommodate for applied force
  • Fail length @ 200% elongation @ 100 lbs
  • Elongation factors do not include 4" non elastic webbing end loops
  • To determine the proper length cord(s) for your application, measure the distance from the top cord connection to where the bottom of the cords will be attached to your harness when fully extended. Half that distance is the recommended static length
  • For extended service life, cords should not exceed 100% elongation during use. Exceeding 100% elongation may require additional cords to increase the tension, longer length static cords or extending rigging strapping to reach the desired stretched distance
  • If less than 100% elongation is required for your application, additional cords can be added to increase the tension
  • Custom lengths available
  • No warranty


Sample Rigging Diagram
  • This type of rigging is suited for a single house anchor point connected to one harness pick point such as the front belt, rear belt or dorsal pick.

  • This type of rigging is suited for a single house anchor point, separated with a spreader bar connected to two harness pick points such as the hips or shoulders.
  • The use of a Spreader Bar is not recommended for house anchor height less than 12 ft (3,6 m).

Take A Video Tour

Prices
  • 3 ft $30.13

  • 3 ft 6 inches $32.50

  • 4 ft $34.37

  • 5 ft $38.62

  • 6 ft $42.86

  • 8 ft $51.35

  • 10 ft $60.90

  • 12 ft $68.33
  • With Individual Jacket $74.58
Fabricated to order, non refundable. Allow 2 weeks.
For supplemental support cord in tandem with GEAR Cirque Fitness Bungees, select 3 ft 6 inches






Acrobatic Shock Cords
View More
 2

GEAR Acrobatic Shock Cords 12 mm

  • manufactured in the usa
  • state-of-the-art, professional grade available exclusively from Adrenalin Dreams
  • patented Nylon end loops provide greater live-load security over standard hog ring fasteners
  • ideal for aerial acrobatics, choreography, workouts and trampolines
  • can be utilized as a supplemental support cord in tandem with GEAR Cirque Fitness Bungees
  • optional removable, reusable multi cord pack covers available in 27 colors - priced by length - Contact AD for Pack Cover pricing
Specs
  • Working load 25 lbs (12 kg) for 100% dead weight elongation
  • Additonal cords may be necessary to accommodate for applied force
  • Fail length @ 200% elongation @ 125 lbs (56,5 kg)
  • Elongation factors do not include 4" non elastic webbing end loops
  • To determine the proper length cord(s) for your application, measure the distance from the top cord connection to where the bottom of the cords will be attached to your harness carabiner when fully extended. Half that distance is the recommended static length
  • For extended service life, cords should not exceed 100% elongation during use. Exceeding 100% elongation may require additional cords to increase the tension, longer length static cords or extending rigging strapping to reach the desired stretched distance
  • If less than 100% elongation is required for your application, additional cords can be added to increase the tension
  • Custom lengths available
  • No warranty


Sample Rigging Diagram
  • This type of rigging is suited for a single house anchor point connected to one harness pick point such as the front belt, rear belt or dorsal pick.

  • This type of rigging is suited for a single house anchor point, separated with a spreader bar connected to two harness pick points such as the hips or shoulders.
  • The use of a Spreader Bar is not recommended for house anchor height less than 12 ft (3,6 m).

Take A Video Tour

Prices
  • 3 ft $31.69

  • 3 ft 6 inches $34.00

  • 4 ft $36.34

  • 5 ft $41.09

  • 6 ft $45.88

  • 8 ft $56.50

  • 10 ft $66.04

  • 12 ft $75.49
Fabricated to order, non refundable. Allow 2 weeks.
For supplemental support cord in tandem with GEAR Cirque Fitness Bungees, select 3 ft 6 inches






GEAR Cirque Fitness Workout Bungees

GEAR Cirque Fitness Workout Bungees

  • manufactured in the usa
  • patented, state-of-the-art professional grade
  • available exclusively from Adrenalin Dreams - don't be mislead by cheaply made, unsafe knock-offs
  • live load safety rated
  • Limited Lifetime Warranty
  • ideal for high intensity fitness workout and advanced aerial acrobatics
  • patented color coded built-in static safety line and end loops available in 11 Colors
  • Optional Pack Cover available in 27 Colors
  • Read More Details...
  • the optional reusable pack cover protects against abrasion and UVL damage, adds an attractive aesthetic appeal to display organization colors or to complement costuming and scenery
  • our patented built-in static safety line halts the bungee elongation at a precise point regardless of overloading, preventing injury from over-stretching or bungee failure
  • the static safety line can also be used to suspend the user off the floor for 'floating' yoga positions and suspended exercises
  • GEAR Cirque Fitness Bungees are made in 25 lb (11 kg ) increments - example: 100-125 lb ( 46-57 kg ), 125-150 lbs (57-68 kg) and so on
  • silky smooth operation, high quality materials and craftsmanship make GEAR Cirque Fitness Bungees the preferred bungee of fitness gyms, high-end circuses and professional aerial performers worldwide

Sample Rigging Diagram
  • This type of rigging is suited for a single house anchor point connected to one harness pick point such as the front belt, rear belt or dorsal pick.

  • This type of rigging is suited for a single house anchor point, separated with a spreader bar connected to two harness pick points such as the hips or shoulders.
  • The use of a Spreader Bar is not recommended for house anchor height less than 12 ft (3,6 m).

Take A Video Tour

Prices
  • GEAR Cirque Fitness Workout Bungees . All Weight Ranges $165.00 each
  • Lifetime Warranty Replacements $45.00
  • Optional Removable / Reusable Cover $52.00
Fabricated to order, non refundable. Allow 2-3 weeks.




 





GEAR Cirque Fitness Workout Bungee Kit

GEAR Cirque Fitness Workout Bungee Kit

  • manufactured in the usa
  • everything needed to set up one bungee workout station
  • save over 10% compared to purchasing items separately
  • Kit Includes...
  • 1 GEAR Cirque Fitness Bungee with removable, reusable cover
  • Choice of GEAR Workout Harness model
  • 1 GEAR 37" 10 Loop Daisy Chain
  • 1 Petzl P58SO Open Swivel
  • 3 Omega Pacific Raider Triple Lock Carabiners

$685.00
Fabricated to order, allow 2-3 weeks







Harness Sizing Chart



 

GEAR Three Pick Workout Harness
View More
2  3

GEAR Three Pick Workout Harness

  • manufactured in the usa
  • super soft, cushioned extra wide 3.5" (8,9 cm) waist belt
  • comfortably padded adjustable leg pads
  • Read More Details...
  • low profile webbing pick points at the hips and rear belt
  • harness is reversible to position the rear pick in front
  • meets API, ANSI, OSHA specifications for live load support

$310.00
Add optional Cobra Quick Release Buckles to belt or leg loops $50.00 each. Contact AD to add Cobra Buckles.

Fabricated to order, allow 2-3 weeks

Sizing Chart



 

GEAR Three Pick Workout Harness . Circular Leg Loops . Back
View More
2  3

GEAR Three Pick Workout Harness With Circular Leg Loops

  • manufactured in the usa
  • super soft, cushioned extra wide 3.5" (8,9 cm) waist belt
  • comfortably padded adjustable leg pads
  • circular leg loops adjust up and down while girth adjusters accommodate various thigh circumferences 
  • Read More Details...
  • low profile webbing pick points at the hips and rear belt
  • harness is reversible to position the rear pick in front
  • meets API, ANSI, OSHA specifications for live load support

$310.00

Add optional Cobra Quick Release Buckles to belt or leg loops $50.00 each. Contact AD to add Cobra Buckles.

Fabricated to order, allow 2-3 weeks

Sizing Chart




 

GEAR Four Pick Floating Ring Harness
View More
2  3

GEAR Four Pick Floating Ring Harness

  • manufactured in the usa
  • floating aluminum ring front pick allows the body to turn side to side while connected to bungee, rope, etc. without dragging the rigging with you
  • super soft, cushioned extra wide 3.5" (8,9 cm) wide waist belt
  • comfortably padded adjustable leg pads
  • Read More Details...
  • includes one rear webbing pick and two side webbing picks
  • harness can be reversed to place floating ring in back and rear soft pick in front
  • meets API, ANSI, OSHA specifications for live load support

$310.00

Add optional Cobra Quick Release Buckles to belt or leg loops $50.00 each. Contact AD to add Cobra Buckles.

Fabricated to order, allow 2-3 weeks

Sizing Chart




 

GEAR WallWalker Harness
View More
2  3  4

GEAR WallWalker Harness

  • designed for suspended yoga, bungee workout and vertical wall acrobatics
  • super soft, cushioned extra wide 3.5" (8,9 cm) wide waist belt
  • comfortably padded adjustable leg pads
  • adjustable front pick capture straps on the belt and leg loops allows the body to rotate 90º while standing or suspended in a prone position without dragging the rigging along
  • Read More Details...
  • capture straps are removable
  • rear belt and side soft picks
  • harness can be reversed to place rear belt soft pick in front
  • circular leg loops are adjustable up and down and for thigh girth
  • single adjuster waist belt
  • exceeds OSHA, API, ANSI specifications for live load support

Demonstration Video

$310.00
Add optional Cobra Quick Release Buckles to belt or leg loops $50.00 each. Contact AD to add Cobra Buckles.

Fabricated to order, allow 2-3 weeks
 Sizing Chart




 

GEAR Four Ring Circus Harness
View More
2 3 4

GEAR Four Ring Circus Harness

  • designed for bungee workout, aerial yoga and circus performance
  • four 1-3/4" (44 mm) ID ring picks, one front, one rear, one right side and two left side for positioning
  • Read More Details...
  • super soft, cushioned waist padding for long-wear comfort
  • hybrid circular / French cut leg loops comfortably padded
  • sliding bar adjusters on the belt and leg straps
  • exceeds OSHA, API, ANSI specifications for live load support

$330.00

Add optional Cobra Quick Release Buckles to belt or leg loops $50.00 each. Contact AD to add Cobra Buckles.

Fabricated to order, allow 2-3 weeks

Sizing Chart




 

GEAR Wrist Loop

GEAR Wrist Loops

  • manufactured in the usa
  • comfortably padded
  • sliding keeper to adjust loop size
  • Read More Details...
  • three sizes for small, medium or large wrists
  • optional sewn-in swivel carabiner
  • sold separately

10" (25,4 cm) $47.00
10" (25,4 cm) with sewn-in SwivaEye $182.00

12" (30,4 cm) $52.00
12" (30,4 cm) with sewn-in SwivaEye $187.00

14" (35,5 cm) $56.00
14" (35,5 cm) with sewn-in SwivaEye $191.00

Fabricated to order, allow 2 weeks



 

GEAR Aerial Training Straps

GEAR Aerial Training Straps

  • manufactured in the usa
  • comfortable super soft Nylon
  • 18" (45,7 cm) total length
  • straight anchor loop
  • twisted hand loop provides a tight, secure grip
  • MBS 7,000 lbs (3,175 kg)
  • sold in pairs

$42.00
Fabricated to order, allow 2 weeks
Color Selection



 

GEAR Aerial Pro Straps

GEAR Aerial Pro Straps

  • manufactured in the usa
  • comfortable super soft Nylon
  • 9 ft (2,75 m) total length
  • straight anchor loop
  • twisted hand loop provides a tight, secure grip
  • MBS 7,000 lbs (3,175 kg)
  • sold in pairs

$132.00
Fabricated to order, allow 2 weeks
Color Selection



 

GEAR Aerial Contortion Straps

GEAR Aerial Contortion Straps

  • manufactured in the usa
  • comfortable super soft Nylon
  • 9 ft (2,75 m) loop
  • twisted hand loop provides a tight, secure grip
  • MBS 7,000 lbs (3,175 kg)
  • sold in pairs

$145.00
Fabricated to order, allow 2 weeks
Color Selection



 

GEAR Aerial Strap Keeper

GEAR Aerial Strap Keeper

  • manufactured in the usa
  • sturdy, heavy duty double webbing loop
  • 1.5" (3,8 cm) wide
  • slides along the length of aerial Contortion straps to adjust strap loop length
  • sold in set of four
$35.00

 

Rigging Shackles
View More
2  3

Rigging Shackles

  • manufactured in france
  • compact pick connections for harnesses or fly rigging
  • live load safety rated
  • stainless steel
  • self locking with 'click' indicator
  • available in D or bow style, brite or black
  • various models available with captive pin
  • Read More Details...
  • 3/16" (5 mm) minimum breaking strength 2,204 lbs (1,000 kg)
  • 1/4" (6 mm) minimum breaking strength 3,527 lbs (1,600 kg)
  • 5/16" (8 mm) minimum breaking strength 7,920 lbs (3,592 kg)
  • size denotes diameter of capture bar
  • captive pin model features non-removable locking pin
  • sold in sets of two

  • 3/16" (5 mm) D Brite set of two $33.00 . 13 Sets In Stock
  • 3/16" (5 mm) Bow Brite set of two $37.50 . 3 Sets In Stock
  • 3/16" (5 mm) D Black Captive Pin set of two $51.50 . Out Of Stock 3-6 Weeks
  • 3/16" (5 mm) Bow Black Captive Pin set of two $56.25 . 3 Sets In Stock
  • 1/4" (6 mm) D Brite set of two $42.50 . 4 Sets In Stock
  • 1/4" (6 mm) D Black set of two $53.00 . 6 Sets In Stock
  • 1/4" (6 mm) Bow Brite set of two $47.75 . 2 Sets In Stock
  • 1/4" (6 mm) Bow Black set of two $47.50 . 4 Sets In Stock
  • 1/4" (6 mm) Bow Black Captive Pin set of two $73.00 . 6 Sets In Stock
  • 5/16" (8 mm) D Brite set of two $67.00 . 14 Sets In Stock
  • 5/16" (8 mm) D Black set of two $64.50 . 2 Sets In Stock
  • 5/16" (8 mm) Bow Brite set of two $75.00 . 3 Sets In Stock
  • 5/16" (8 mm) Bow Black set of two $74.50 . Out Of Stock 3-6 Weeks




 

Omega Pacific Raider Carabiner
View More
2

Omega Pacific Raider Triple Lock Carabiner

  • manufactured in the usa
  • sleek I-Beam construction allows strength and durability
  • oval shape allows for proper orientation and helps to limit load shifting
  • key lock nose and smooth 3 stage gate action
  • even loading and comfortable fit in the hand
  • Read More Details...
  • 4 band knurl provides a positive connection and helps to easily identify the carabiner as a triple lock
  • single hand operation
  • keylock nose to prevent snagging and hang-ups

Specs
  • dimensions 4.3 in x 2.5 in (10,9cm x 6,35 cm)
  • gate opening 0.83 in (2,1 cm)
  • major axis 24kN (5,395 lbf)
  • minor axis 8kN (1,798 lbf)
  • gate open 7kN (1,574 lbf)
  • weight 2.89 oz (82g)

  • $28.99





     

    Omega Pacific Phantom Screw Lock Carabiner

    Omega Pacific Phantom Screw Lock Carabiner

    • manufactured in the usa
    • multi-functional, lightweight, high strength
    • features a hot-forge construction which allows less weight with high strength and durability
    • narrow, low profile nose and keylock design allow for smooth, snag-free connections
    • ergonomic shape and smooth gate ideal for use with a gloved hand
    • Read More Details...
    • enhanced modified D shape provides a large gate opening and a comfortable fit in the hand
    • frame’s ridges are designed to better protect markings
    • smooth inside frame designed to be textile friendly
    • anodized to aid in corrosion prevention
    • lubricated with a special blend of solvents and waxes designed for penetration, moisture displacement, lubrication, and protection

    Specs
  • weight: 2.89 oz (82 g)
  • length: 4.72 in (119.88 mm)
  • width: 2.95 in (74.93 mm)
  • major axis strength: 28kN (6,294 lbf)
  • minor axis strength: 8kN (1,798 lbf)
  • gate open strength: 9kN (2,023 lbf)

  • $24.50




    CMI Swivel

    CMI Swivel

    • manufactured in the USA
    • aluminum
    • strongest swivel of its kind
    • sealed ball bearing
    Specs
    • 4 1/4" x 1 3/4" (10,8 x 4,4 cm)
    • 5.6 oz (158,7 g)
    • MBS 12,200 lbs (54.26kN)
    • exceeds tests for national fire protection association standard on fire service life safety rope and system components NFPA 1983-2006 edition


    $134.45



     

    Petzl P58 Swivel

    Petzl P58 Swivels

    • manufactured in france
    • sealed ball bearing
    • smooth operating after years of use
    • Read More Details...
    • compact version designed for one person loads . MBS 5,000 lbs (23 kN) . 3.4 oz (95 g)
    • large model designed for heavier loads . allows 3 carabiners to be used in either end . MBS 8,093 lbf (36 kN) . 5.2 oz (150 g)
    • UL labeled to meet NFPA 1983-06 class "G"

    P58S Small $79.95
    P58L Large $84.95




     

    Petzl P58SO Open Swivel

    Petzl P58SO Open And Micro Swivels

    • reduces the bulk and weight of component systems and solves twisting and tangling problems with ropes and lanyards
    • sealed ball bearings offer excellent performance and reliability

    P58SO Open Specs
  • breaking strength 5,170 lbf (23 kN)
  • 4.6 oz
  • CE, NFPA 1983 Technical Use, EAC

  • P58XO Micro Specs
  • positioning swivel only, designed to remain fixed under load
  • breaking strength 5,170 lbf. (23 kN)
  • 2.6 oz
  • CE, EAC


  • P58 SO Open $99.95
    P58XO Micro $74.95
    Overstock Discount Available







    Rock Exotica SwivaEye
    View More
    2

    Rock Exotica SwivaEye

    • manufactured in the usa
    • integration of a technically advanced carabiners with a high-efficiency swivel
    • utilizes high quality ball-bearings
    • designed for high-speed rotations with the lowest possible friction
    • available with single carabiner and eye or double carabiner
    • Read More Details...
    • weight: 5.5 oz (153 gm)
    • major axis: 30 kN
    • minor axis: 7 kN
    • open gate: 12 kN
    • gate opening: .84” (21 mm)
    • certification: CE

    Single $101.00
    Double $110.00




     

    CMI Swivel Pulley
    View More
    2

    CMI Swivel Pulley

    • manufactured in the usa
    • combines a pulley with a swivel to offer superb advantages
    • lighter, stronger than comparable products and save valuable vertical space
    • Read More Details...
    • available with or witout a stainless steel slic pin that allows you to remove the sheave
    • capacity: ½” rope
    • sheave: 1 ¼” aluminum
    • bushing
    • 4 ½”x 2”

    RP161 without slic pin $119.45
    RP161 with slic pin $122.65




     

    Petzl Spin L1 Swivel Pulley
    View More
    2

    Petzl Spin L1 Swivel Pulleys

    • designed for maximum simplicity in setting up hauling or load deviation systems
    • triple-action opening of the moving side plate is quick and easy, even with gloves
    • the rope can be installed with the device connected to the anchor 
    • Read More Details...
    • red mark provides a visual warning when the moving side plate is unlocked
    • special side plate design protects the rope path
    • large diameter sheave mounted on sealed ball bearings
    • accepts up to three carabiners
    • accepts 7-13 mm rope
    • material(s): aluminum, stainless steel, nylon
    • sheave type: sealed ball bearings
    • sheave diameter: 38mm
    • maximum working load: 4 x 2 = 8kN
    • breaking strength: 36kN
    • efficiency: 95%
    • 290g
    • certification(s): CE EN 12278, NFPA 1983 pulley general Use, UIAA

    Gold / Black $124.95
    Black $129.95





    Petzl Spin L2 Swivel Double Pulley
    View More
    2

    Petzl Spin L2 Swivel Double Pulley

    • designed for maximum simplicity in setting up hauling or load deviation systems
    • triple-action opening of the moving side plate is quick and easy, even with gloves
    • the rope can be installed with the device connected to the anchor
    • Read More Details...
    • red mark provides a visual warning when the moving side plate is unlocked
    • special side plate design protects the rope path
    • large diameter sheave mounted on sealed ball bearings
    • parallel-mounted sheaves and auxiliary attachment point for setting up various types of complex haul systems
    • accepts up to three carabiners
    • accepts 7-13 mm rope
    • material(s): aluminum, stainless steel, nylon
    • sheave type: sealed ball bearings
    • sheave diameter: 38mm
    • maximum working load: 4 x 2 = 8kN
    • breaking strength: 36kN
    • efficiency: 95%
    • 290g
    • certification(s): CE EN 12278, NFPA 1983 pulley general Use, UIAA

    Gold / Black $174.95
    Black $179.95





    I Beam Clamp
    View More
    2

    I Beam Clamp

    • manufactured in the usa
    • ideal for hanging bungee rigging, climbing rope, athletic bags, hoops, silks, any aerial choreographic or athletic equipment
    • fits 3" (7,6 cm) to 12" (30,5 cm) beam flange
    • Read More Details...
    • powder coated steel finish
    • MBS 5,000 lbs (2,268 kg)
    • includes screw link

    3" - 9" (7,6 - 22,9 cm) $120.00
    9.25" - 12" (23,5 - 30,5 cm)  $175.00




     

    Adjustable Beam Clamp
    View More
    2 3

    Adjustable Beam Clamp

    • manufactured in the usa
    • steel construction with a welded steel ring for easy connection
    • fits I beam or bar joist flanges 3.5" - 12" (89-30,5 cm) wide
    • 1/2" (12,5 mm) All-Thread
    • 2,000 lb (907 kg) weight capacity

    $239.00


     

    Batton Clamp

    Batten Clamp

    • sturdy eye clamp ideal for use with truss systems and 2” diameter pipes
    • tightens quickly and easily via large wing nut
    • convenient eyebolt for attaching rigging or other accessories
    • rated for up to 440 pound loads
    $45.00



    Wood Joist Anchor Clamp

    Wood Joist Anchor Clamp

    • permanent anchor stays for the life of the structure
    • fit the most common size I-Joists being used today from 1-3/4" to 2-3/4"
    • Read More Details...
    • installs using a drill through method and can have backer boards installed for a secure fit
    • maximum working laod 340 lbs (154 kg)
    • meets or exceeds all applicable OSHA Standards 1910.66 & 1926.502 for fall protection anchors

    $49.00


     

    Wood Joist Anchor Clamp . Low Profile
    View More
    2 3

    Wood Joist Anchor Clamp . Low Profile

    • can be installed in a variety of structural wood members at a multitude of angles
    • lightweight, less than 1 lb
    • installed in minutes
    • stainless steel ring with zinc plated steel cheeks, durable, long lasting
    • Read More Details...
    • minimum breaking strength 1,800-lbf (8kN)
    • working load 310 lbs (140.6 kg)
    • meets OSHA 1910.140 and OSHA 1926.502 standards
    $55.00



    Wood Beam Anchor Clamp
    View More
    2  3

    Wood Beam Anchor Clamp

    • engineered to deliver a safe and reliable overhead rigging solution when installed beneath conventional structural wood and Glulam overhead beams
    • all-steel system tailored to accommodate beam height of 9 inches (230 mm) or more
    • swivel eye hang point is firmly attached to a loading channel beneath the center of the wood beam
    • two side plates provide essential support for the load channel located below
    • two sizes to accommodate beam width 3"-8" (7,6 cm-20,3 cm) or 7"-12" (17,8 cm-127 cm)
    • Read More Details...
    • black powder coat finish
    • working load 980 lbs 444 kg at 0 degrees
    • working load 380 lbs 172 kg at 45 degrees

    Small fits beam width 3"-8" (7,6 cm-20,3 cm) $460.00
    Large fits beam width 7"-12" (17,8 cm-127 cm) $506.00

       




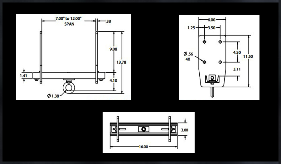
    GEAR Spreader Bar
    View More
    2 3 4

    GEAR Spreader Bar

    • manufactured in the usa
    • splits single anchor pont into two pick points
    • replaceable webbing
    • Read More Details...
    • 1.25" (28 mm) Delrin spreader bar
    • 1" (25 mm) Nylon webbing strapping with sewn pick loops MBS 2,000 lbs
    • aluminum anchor ring 2.2” (54 mm) OD x 1.18” (30 mm) ID MBS 5,620 lbs (2,549 kg)
    • overall height 18" (45.7 cm)
    • available in 24", 36", 48" (61 cm, 91 cm, 122 cm) lengths

    24" (61 cm) Bar $105.00
    36" (91,4 cm) Bar $115.00
    48" (122 cm) Bar $125.00

    Replacement Webbing (includes anchor ring)
    24" (61 cm) $35.00
    36" (91,4 cm) $37.00
    48" (122 cm) $39.00




     

    GEAR Foot Loop

    GEAR Foot Loop

    • manufactured in the usa
    • attach to GEAR Cirque Fitness Bungee rig to pull down the bungee for rigging into your harness
    • Read More Details...
    • made from 1" (25 mm) tubular webbing
    • 36' (91 cm) overall length
    • 12" (30 cm) foot loop

    $24.00


     

    GEAR Twin Loop Runner . Standard

    GEAR Twin Loop Runner . Standard

    • manufactured in the usa
    • super duty multi-purpose twin loop sling is a valuable tool which can be used as an anchor sling, as a tether between equipment, clip-in holding strap or many other uses
    • standard style made from 1" (2,5 cm) tubular Nylon webbing with a 2" (5 cm) grab loop on each end
    • breaking strength 4,000 lbs (1,814 kg)
    • available in 11 Colors

    • Prices...
    • 12" (30 cm) $13.00
    • 18" (46 cm) $13.50
    • 24" (61 cm) $13.75
    • 36" (91 cm) $14.25
    • 48" (122 cm) $14.75
    • 60" (152 cm) $15.25
    • 72" (182 cm) $16.00
    • 96" (244 cm) $17.00
    • 120" (305 cm) $18.00







     

    GEAR Twin Loop Runner . Heavy Duty

    GEAR Twin Loop Runner . Heavy Duty

    • manufactured in the usa
    • multi-purpose twin loop sling is a valuable tool which can be used as an anchor sling, as a tether between equipment, clip-in holding strap or many other uses
    • heavy duty style made from 1" (2,5 cm) flat Nylon webbing with a 2" (5 cm) grab loop on each end
    • breaking strength 8,000 lbs (3,628 kg)
    • available in 2 Colors
    • 24" (61 cm) $19.75
    • 36" (91 cm) $21.00
    • 48" (122 cm) $22.00
    • 60" (152 cm) $23.25
    • 72" (182 cm) $24.25
    • 96" (244 cm) $26.75
    • 120" (305 cm) $29.00





     

     

    GEAR Loop Sling . Standard

    GEAR Loop Sling . Standard

    • manufactured in the usa
    • super duty multi-purpose twin loop sling is a valuable tool which can be used as an anchor sling, as a tether between equipment, clip-in holding strap or many other uses
    • standard style made from 1" (2,5 cm) tubular Nylon webbing
    • breaking strength 4,000 lbs (1,814 kg)
    • available in 11 Colors

    • Prices...
    • 12" (30 cm) $8.25
    • 18" (46 cm) $8.75
    • 24" (61 cm) $9.50
    • 36" (91 cm) $10.50
    • 48" (122 cm) $11.75
    • 60" (152 cm) $12.75
    • 72" (182 cm) $15.00
    • 96" (244 cm) $17.00
    • 120" (305 cm) $19.25







     

    GEAR Loop sling . Heavy Duty

    GEAR Loop Sling . Heavy Duty

    • manufactured in the usa
    • multi-purpose twin loop sling is a valuable tool which can be used as an anchor sling, as a tether between equipment, clip-in holding strap or many other uses
    • heavy duty style made from 1" (2,5 cm) flat Nylon webbing
    • breaking strength 8,000 lbs (3,628 kg)
    • available in 2 Colors

    • Prices...
    • 12" (30 cm) $13.25
    • 18" (46 cm) $14.00
    • 24" (61 cm) $15.00
    • 36" (91 cm) $17.50
    • 48" (122 cm) $19.75
    • 60" (152 cm) $22.00
    • 72" (182 cm) $24.75
    • 96" (244 cm) $28.75
    • 120" (305 cm) $33.25

     



     

     

    GEAR Daisy Chain
    View More
    2 3

    GEAR Daisy Chain

    • manufactured in the usa
    • use as an adjustable anchor extension for aerial equipment
    • pockets stay open under load for easy clip in and out
    • 1" (25mm) tubular webbing
    • end-to-end strength 3500 lbf (15.57 kN)
    • loop strength 1200 lbf (5.33 kN)
    37" (94 cm) 10 Loops $30.00
    60" (162 cm) 15 Loops $36.00
    74" (188 cm) 19 Loops $41.00





     

    GEAR Anchor Straps
    View More
    2

    GEAR Anchor Straps

    • minimum breaking strength end to end 6,000 lbf (2,721 kgf) and basket 11,000 lbf (4,990 kgf)
    • available with sewn end loops to accommodate one connection link or steel D rings to accommodate several connection links

    Sewn Loop Prices
  • 16" (40 cm) $32.00
  • 18" (46 cm) $32.50
  • 24" (61 cm) $33.00
  • 36" (91 cm) $34.00
  • 48" (122 cm) $35.00
  • 60" (152 cm) $36.00
  • 72" (183 cm) $37.00

  • D Ring Prices
  • 16" (40 cm) $42.00
  • 18" (36 cm) $42.50
  • 24" (61 cm) $43.00
  • 36" (91 cm) $44.00
  • 48" (122 cm) $45.00
  • 60" (152 cm) $46.00
  • 72" (183 cm) $47.00